+49 (0)7021/7377-0
Contact
Kontakt
Suche
Unsere Produkte
Menü
schließen
Startseite
Lösungen für Landmaschinen
Lösungen für Baumaschinen
LKW Bausätze
Umweltschonung
Pumpen / Übersetzungsgetriebe
Ölbehälter
Filter
Wärmetauscher
Hydraulikaggregate
Stromregelung
Hydraulikspeicher
Druckregelung
Hydraulikventile
Sicherheitsventile
Hydraulikzylinder
Hochdruck-Komponenten
Hydraulikmotoren
Lenkeinheiten
Verschraubungen / Kupplungen
Elektrische Komponenten
Werkstattgeräte
Hydroclips Koffer
Schläuche und Armaturen
Kupplungen und Multikupplungen
Ausrüstungen für Hochdruckreiniger
Schmierung
Baltrotors Rotatoren
Öl
Schnäppchen!
Fragebogen
Feldspritzenteile
Reparatur Pumpen und Motoren
Wo finden Sie uns?
Kataloge
Messen
Wir über Uns
Über Rau Serta / Hydrokit
Vensys Gruppe
Service/Leistungen
Videos
Karriere
Kontakt
Startseite
Hydraulikventile
PVG Danfoss Proportionalventile
Multifunktionssteuerungen
CETOP Ventile
Monoblockventile
Manuelle Ventile in Sandwichbauweise
DR65 Ventilsteuerung mit Stromregelung
Hubbegrenzungsventile
Hähne
Elektrisch-betätigte 2/2 Wege-Sitzventile
Baumaschinensteuerung
Niederdrucksteuerung
Steuerhebel, Bowdenzüge und Bowdenzugadapter
Anhänger-Bremsventil
Verschraubungs- und Kupplungssätze für Ventile
CETOP Ventile
CETOP Ventile mit E-box
Cetop 3 - NG6
Cetop 5 - NG10
Cetop 5 - NG10
Cetop5 NG10 Steuerung
Modulare Ventile Cetop5
Cetop5 Grundplatte
Modulare Ventile Cetop5
Vollbild
Vorheriges Bild
Nächstes Bild
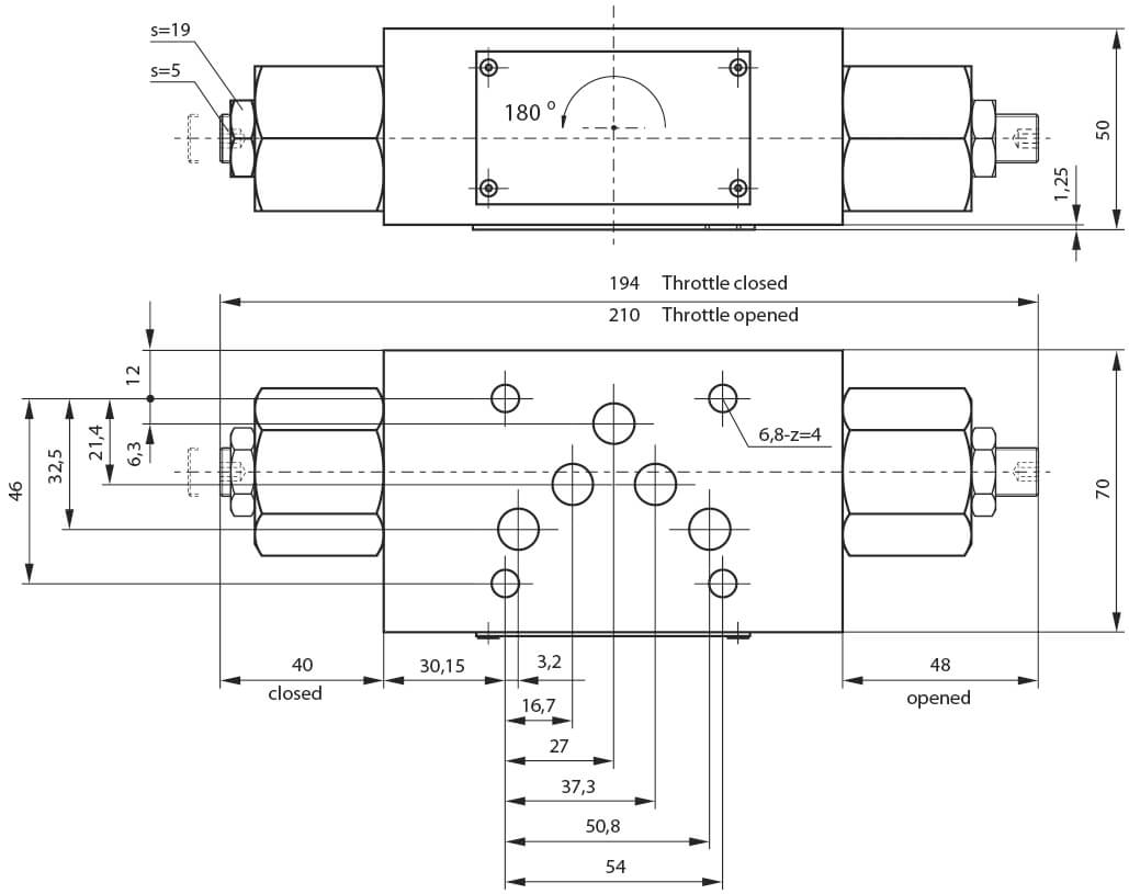
Drosselventil NG10
Artikel-Nr Rau Serta :
VLDM05YABK
drucken
teilen
+49 (0)7021/7377-0
Kontakt
Kontakt
schließen
Sie wollen sofort eine Antwort?
Kontaktieren Sie uns unter +49 (0)7021/7377-0
Um den Preis zu sehen
Ein Konto erstellen
oder
Technische Informationen
Drosselventil in Zwischenplattenbauweise NG10,
Rücklaufdrosselung in A + B
schließen
Teilen Sie dieses Produkt auf
Facebook
Linkedin
Mail
Abbrechen
schließen
Wird geladen ...