+49 (0)7021/7377-0
Contact
Kontakt
Suche
Unsere Produkte
Menü
schließen
Startseite
Lösungen für Landmaschinen
Lösungen für Baumaschinen
LKW Bausätze
Umweltschonung
Pumpen / Übersetzungsgetriebe
Ölbehälter
Filter
Wärmetauscher
Hydraulikaggregate
Stromregelung
Hydraulikspeicher
Druckregelung
Hydraulikventile
Sicherheitsventile
Hydraulikzylinder
Hochdruck-Komponenten
Hydraulikmotoren
Lenkeinheiten
Verschraubungen / Kupplungen
Elektrische Komponenten
Werkstattgeräte
Hydroclips Koffer
Schläuche und Armaturen
Kupplungen und Multikupplungen
Ausrüstungen für Hochdruckreiniger
Schmierung
Baltrotors Rotatoren
Öl
Schnäppchen!
Fragebogen
Feldspritzenteile
Reparatur Pumpen und Motoren
Wo finden Sie uns?
Kataloge
Messen
Wir über Uns
Über Rau Serta / Hydrokit
Vensys Gruppe
Service/Leistungen
Videos
Karriere
Kontakt
Startseite
Hydraulikmotoren
Orbitalmotoren
Zahnradmotoren
Kolbenmotoren
Orbitalmotoren
Typ OML
Typ OMM
Typ OMP
Typ OMR
Typ OMH
Typ OMS
Typ OMT
Typ OMV
Muffen und Zubehör
Dichtsätze
Typ OMS
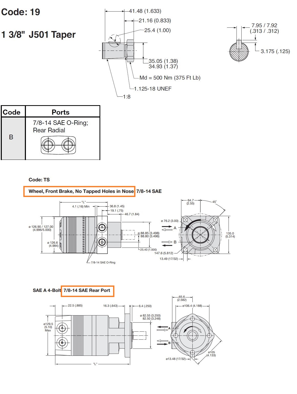
Danfoss OMS - Zahnwelle 14 Zähne Ø31.7
Danfoss OMS - Kegel 1/10 ø35
Danfoss OMSS - kurzer Motor
Vollbild
Vorheriges Bild
Nächstes Bild
MOTEUR OMS530 - CONIQUE 1/8 - 1'3/8
Artikel-Nr Rau Serta :
MHS530IUBT
drucken
teilen
+49 (0)7021/7377-0
Kontakt
Kontakt
schließen
Sie wollen sofort eine Antwort?
Kontaktieren Sie uns unter +49 (0)7021/7377-0
Um den Preis zu sehen
Ein Konto erstellen
oder
Technische Informationen
Parker TorqMotor - TG0530TB190AALY
schließen
Teilen Sie dieses Produkt auf
Facebook
Linkedin
Mail
Abbrechen
schließen
Wird geladen ...