+49 (0)7021/7377-0
Contact
Kontakt
Suche
Unsere Produkte
Menü
schließen
Startseite
Lösungen für Landmaschinen
Lösungen für Baumaschinen
LKW Bausätze
Umweltschonung
Pumpen / Übersetzungsgetriebe
Ölbehälter
Filter
Wärmetauscher
Hydraulikaggregate
Stromregelung
Hydraulikspeicher
Druckregelung
Hydraulikventile
Sicherheitsventile
Hydraulikzylinder
Hochdruck-Komponenten
Hydraulikmotoren
Lenkeinheiten
Verschraubungen / Kupplungen
Elektrische Komponenten
Werkstattgeräte
Hydroclips Koffer
Schläuche und Armaturen
Kupplungen und Multikupplungen
Ausrüstungen für Hochdruckreiniger
Schmierung
Baltrotors Rotatoren
Öl
Schnäppchen!
Fragebogen
Feldspritzenteile
Reparatur Pumpen und Motoren
Wo finden Sie uns?
Kataloge
Messen
Wir über Uns
Über Rau Serta / Hydrokit
Vensys Gruppe
Service/Leistungen
Videos
Karriere
Kontakt
Startseite
Hydraulikmotoren
Orbitalmotoren
Zahnradmotoren
Kolbenmotoren
Orbitalmotoren
Typ OML
Typ OMM
Typ OMP
Typ OMR
Typ OMH
Typ OMS
Typ OMT
Typ OMV
Muffen und Zubehör
Dichtsätze
Typ OMH
Vollbild
Vorheriges Bild
Imagen siguiente
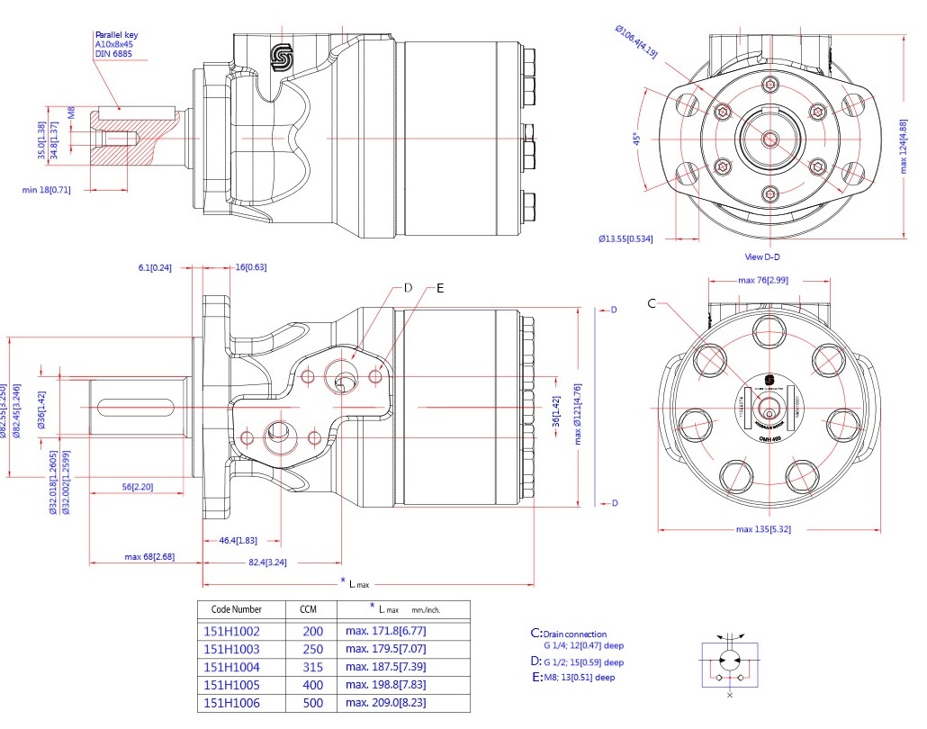
MOTEUR OMH 400 CM3 ARBRE Ø32MM
Artikel-Nr Rau Serta :
MHH400A34
drucken
teilen
+49 (0)7021/7377-0
Kontakt
Kontakt
schließen
Sie wollen sofort eine Antwort?
Kontaktieren Sie uns unter +49 (0)7021/7377-0
Um den Preis zu sehen
Ein Konto erstellen
oder
Technische Informationen
Hydraulikmotor OMH400 151H1005
Orginal Danfoss
Wellendurchmesser 32mm
schließen
Teilen Sie dieses Produkt auf
Facebook
Linkedin
Mail
Cancelar
schließen
Wird geladen ...