Verschmutzungsanzeige
Artikel-Nr Rau Serta : PA72500014
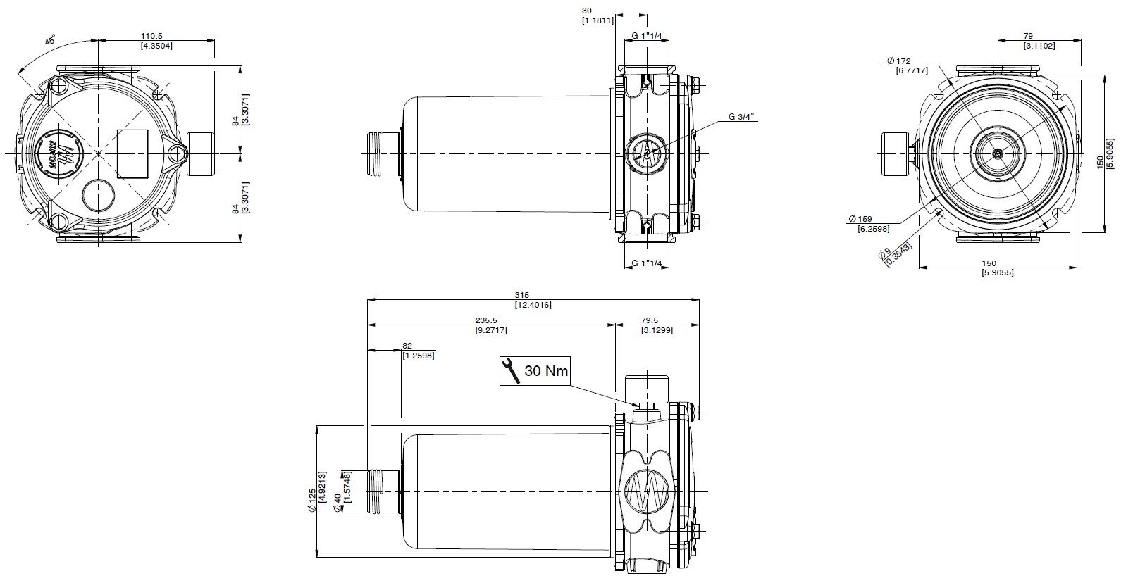
Technische Informationen
Rücklauffilter 10µm
G1-1/4 - 8BAR - BYPASS 1.7B
Code IKRON : HHR43591
Ref IKRON : HF510-30.122-FS-FG010-B17-GG/GG-B-H-Z-XB-GA-M-YA-GE-K
G1-1/4 - 8BAR - BYPASS 1.7B
Code IKRON : HHR43591
Ref IKRON : HF510-30.122-FS-FG010-B17-GG/GG-B-H-Z-XB-GA-M-YA-GE-K

technische Daten
| Art der Komponenten | Filtre semi-immergé | ||
| Max. Betriebsdruck | 8 | bar | |
| Anschluss | G1'1/4 | ||
| Degré de filtration | 10 | Micron | |
| Média Filtrant | Microfibre de verre | ||
| Rapport Beta | 200 | ||
| Option | Bypass 1.7 bar |