BOBINE Ø13/39 - 26VDC CARRE
Artikel-Nr Rau Serta : E29B1340C026CO1
Technische Informationen
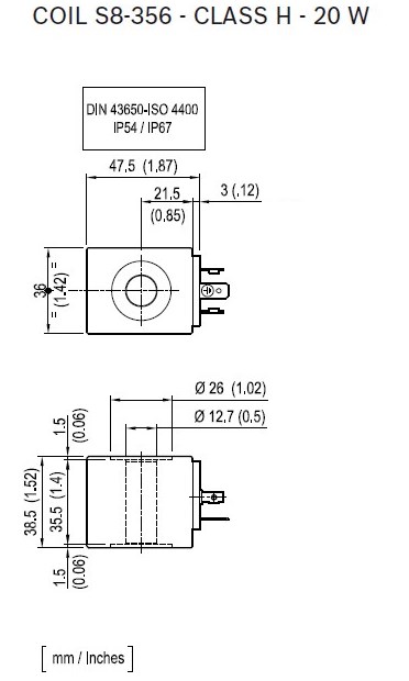
SPULE Ø12/39 26VDC QUADRATISCH KLASSE H 20W - OD02170130AC00 - R901058832

technische Daten
| Spannung | 26 VCC | Volt | |
| Art des Stroms | Kontinuierlich Vcc | ||
| Durchmesser Ø | 12.7 | mm | |
| Länge L | 39 | mm | |
| Typ Anschlusstechnik | Hirschmann-Stecker DIN 43650 |