Hydrokit

Distributeur Monobloc Manuel 70L - 1 élément - Commande rotative - SD11

Référence Hydrokit : DMO070AOROT  

Pour voir le tarif

Informations techniques

Commande par levier rotatif
A&B fermé au neutre
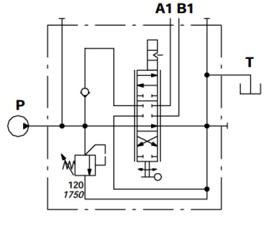
Plan technique

Caractéristiques techniques

Type de circuit hydraulique CO - Circuit Ouvert
Débit maxi 70 l/min
Pression maxi d'utilisation 315 bar
Nombre de section(s) 1
Type(s) Tiroir(s) 1DE
Type(s) de commande(s) Commande Manuelle Rotative
Implantation orifice P G1/2
Implantation orifices A&B et/ou R G1/2
Implantation orifice T G3/4
Implantation orifice CS sans
Implantation Pilotage A&B sans